• Очередная встреча членов клуба пройдет, традиционно, в кафе «Экспромт» на Солянке. 7 ноября, начиная с 19.00, жду всех желающих пообщаться.
    Обсуждение на форуме

Чертежи и прочее.

АНДРЕЙ 111

Пользователь
Команда форума
Регистрация
15.03.2011
Сообщения
16 008
Оценка реакций
9 350
Город
Одинцово
Такие и у меня есть, только они могут и не с завода быть .
 

юрий-победа

Пользователь
10 лет на форуме
Регистрация
27.02.2011
Сообщения
3 276
Оценка реакций
2 026
Возраст
60
Город
Одесса-город герой СССР
Такие и у меня есть, только они могут и не с завода быть .
----------------------------
Андрей,такие чертежи были(может и счас есть) в архивах технических институтов, где учили специальности 1604 , "Конструктор автомобилей" на кафедрах -Автомобили и автомобильное хозяйство.
У нас в Политехе,были подобные по Москвичам,КРАЗам,МАЗам...это только то,что я сам видел и перечерчивал,давали например "Дифференциал среднего моста ЗИЛ-131"-получалась солидная стопка чертежей,потому как чертил каждую деталь узла,корпус,шестерни,подшипники,болты,гайки,шайбы...а кому выпадало задание вычертить например кабину грузовика с деталировкой,это было весело.
Не "вешались",те студенты кто шел в архив с бутылкой за готовыми чертежами,и на стеклофон.
------------------------
Исходники были подлинные с КБ автозаводов.
 

Зубр

Пользователь
5 лет на форуме
Регистрация
06.01.2016
Сообщения
9 042
Оценка реакций
8 862
Возраст
47
Город
РБ,г.Минск
Эх ... я не в той организации работаю ((... надо было преподом в институт .... но кто ж знал)
 

DG027

Пользователь
Регистрация
27.12.2016
Сообщения
8
Оценка реакций
0
Город
Амурская обл гор Благовещенск
Всём привет! Меня зовут Юрий, я с дальнего востока, амурская область, в нашем регионе крайняя нехватка запчастей к данному автомобилю, ну и просто обратится за советом не к кому, в вашем клубе я новичок. Приобрёл три года назад газ М20 в крайне плачевном состоянии вот руки дошли только сейчас.
Хочу воскресить данный автомобиль.
На данном этапе крайне необходимы чертежи передних ланжеронов, они просто сгнили и рассыпались.
Очень хотелось бы узнать размеры кузова где какие зазоры примерно должны быть. Товарищи победоводы помогите советом, где можно взять информацию по данному вопросу.
Планирую в дальнейшем установить двигатель змз 511 возможно кто-то проходил уже подобную переделку.
Буду очень благодарен если кто нибудь поделится опытом.
 

свой

Пользователь
10 лет на форуме
Регистрация
28.05.2012
Сообщения
3 152
Оценка реакций
746
Возраст
47
Город
Москва, Звенигород
Всём привет! Меня зовут Юрий, я с дальнего востока, амурская область, в нашем регионе крайняя нехватка запчастей к данному автомобилю, ну и просто обратится за советом не к кому, в вашем клубе я новичок. Приобрёл три года назад газ М20 в крайне плачевном состоянии вот руки дошли только сейчас.
Хочу воскресить данный автомобиль.
На данном этапе крайне необходимы чертежи передних ланжеронов, они просто сгнили и рассыпались.
Очень хотелось бы узнать размеры кузова где какие зазоры примерно должны быть. Товарищи победоводы помогите советом, где можно взять информацию по данному вопросу.
Планирую в дальнейшем установить двигатель змз 511 возможно кто-то проходил уже подобную переделку.
Буду очень благодарен если кто нибудь поделится опытом.
Я бы, на Вашем месте, тему бы отдельную создал.
Мне кажется лонжероны, если Вы про подрамник, проще найти б/у не гнилое.
Касательно переделки под другой мотор. А стоит ли? Обсуждалась же тема, что после вступления нового техрегламента не сможете эксплуатировать свой авто, если только по гаражам или по полю...
 

Зубр

Пользователь
5 лет на форуме
Регистрация
06.01.2016
Сообщения
9 042
Оценка реакций
8 862
Возраст
47
Город
РБ,г.Минск
чертежи.... больная тема для всех...
кузовных чертежей мало, да и те что есть (я их в глаза не видел), не покрывают весь кузов (слухами земля полнится)
соглашусь, поищите б/у в более живом виде.
 

DG027

Пользователь
Регистрация
27.12.2016
Сообщения
8
Оценка реакций
0
Город
Амурская обл гор Благовещенск
Да, возможно придётся бу подрамник поискать, но также придётся и его переделывать, двигатель будет гораздо тяжелее родного победовского.
Ну а по поводу тех регламента, я это нюанс постарался продумать ещё когда победу оформлял на себя, три года назад, друзья в гаи помогли, написали в птс то что я хотел))
 

юрий-победа

Пользователь
10 лет на форуме
Регистрация
27.02.2011
Сообщения
3 276
Оценка реакций
2 026
Возраст
60
Город
Одесса-город герой СССР
Всём привет! Меня зовут Юрий, я с дальнего востока, амурская область, в нашем регионе крайняя нехватка запчастей к данному автомобилю, ну и просто обратится за советом не к кому, в вашем клубе я новичок. Приобрёл три года назад газ М20 в крайне плачевном состоянии вот руки дошли только сейчас.
Хочу воскресить данный автомобиль.
На данном этапе крайне необходимы чертежи передних ланжеронов, они просто сгнили и рассыпались.
Очень хотелось бы узнать размеры кузова где какие зазоры примерно должны быть. Товарищи победоводы помогите советом, где можно взять информацию по данному вопросу.
Планирую в дальнейшем установить двигатель змз 511 возможно кто-то проходил уже подобную переделку.
Буду очень благодарен если кто нибудь поделится опытом.
-------------------------------------------------
Здоров тезка и добро пожаловать в компанию единомышленников!
Для начала,дай побольше фоток,своей машинки,всех мест требующих реставрации.
Лонжероны можно использовать от Волги 21-й,их проще найти новые или живые БэУ,в переднюю часть оных вваришь от своих(они спереди не гниют)
По размерам,пиши конкретнее,где какие нужны,померяю вышлю с фотками(ты тоже желательно на фото укажи,что где мерять)
 

DG027

Пользователь
Регистрация
27.12.2016
Сообщения
8
Оценка реакций
0
Город
Амурская обл гор Благовещенск
-------------------------------------------------
Здоров тезка и добро пожаловать в компанию единомышленников!
Для начала,дай побольше фоток,своей машинки,всех мест требующих реставрации.
Лонжероны можно использовать от Волги 21-й,их проще найти новые или живые БэУ,в переднюю часть оных вваришь от своих(они спереди не гниют)
По размерам,пиши конкретнее,где какие нужны,померяю вышлю с фотками(ты тоже желательно на фото укажи,что где мерять)
Приветствую, Юрий, благодарю за тёплый приём!!! Большое спасибо за информацию, по поводу волги 21.
У нас с запчастям на волгу немного проще, попробую подрамник от неё найти.
Фото отчёт и нужные мне размеры кузова, в ближайшее дни скину.
Ещё вопрос, у вас в победа-клубе, группы в вотсапе нет ???
Я бы с радостью к данной группе присоединился,вот мой номер
тел. 89145388755.
Очень удобно, обмениваться информацией, если срочно что-то нужно, или просто нужна онлайн консультация .
 

Маэстро

Пользователь
Регистрация
06.01.2017
Сообщения
71
Оценка реакций
24
Возраст
37
Город
Витебск
Направьте на нужный раздел форума,только вчера наткнулся на чертеж подставки под акб 2 серии,перелопатил весь форум,нет.... можно ли как-то закреплять тему,чтобы потом не искать ее?
 

EvgenB

Пользователь
10 лет на форуме
Регистрация
17.09.2015
Сообщения
1 235
Оценка реакций
910
Возраст
47
Город
Москва
Нужен чертёж Сухарь шарового пальца рулевых тяг и сошки, возможно есть у кого...
 

Кирилл

Administrator
Команда форума
Регистрация
14.06.2014
Сообщения
1 666
Оценка реакций
493
Возраст
48
Город
Москва
Долгие поиски увенчались успехом, найдены чертежи Победы 2 серии. Пока толком не разбирался, но на первый взгляд комплект полный.
DSCN1803.JPG
 

Зубр

Пользователь
5 лет на форуме
Регистрация
06.01.2016
Сообщения
9 042
Оценка реакций
8 862
Возраст
47
Город
РБ,г.Минск
Это хорошо....
 

Серj

Пользователь
10 лет на форуме
Регистрация
20.07.2012
Сообщения
255
Оценка реакций
115

Кирилл

Administrator
Команда форума
Регистрация
14.06.2014
Сообщения
1 666
Оценка реакций
493
Возраст
48
Город
Москва
пока не знаю, если что-то интересно, спрашивайте каталожный номер.
 
  • Спасибо
Реакции: Серj

заводчанин

Пользователь
10 лет на форуме
Регистрация
17.11.2013
Сообщения
244
Оценка реакций
281
Возраст
44
Город
Столица
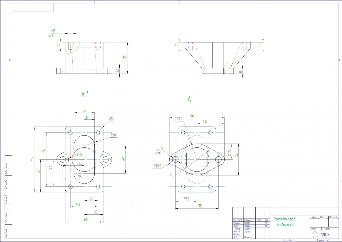
Вдруг кто-то захочет проставку под двухкамерный карбюратор смастерить
Проставка под карбюратор.jpg
 

Mankus

Пользователь
10 лет на форуме
Регистрация
20.03.2010
Сообщения
9 351
Оценка реакций
954
Возраст
41
Город
Подмосковье
  • Спасибо
Реакции: mickas