Чертежи и прочее.

eugenese

Пользователь
10 лет на форуме
Регистрация
14.01.2014
Сообщения
94
Оценка реакций
62
А как с Яндексфоток картинки загрузить?
 

АНДРЕЙ 111

Пользователь
Команда форума
Регистрация
15.03.2011
Сообщения
16 062
Оценка реакций
9 518
Город
Одинцово
иван сергеевич сказал(а):
Попытался востановить 1/3 сборочного чертежа днища по фотографии предоставленной Михаилом (autostyle)
думаю есть много неточностей, особено в цифровых значениях так как текст можно додумать по смыслу, а например каталожный номер нет


так же интересным и немного странным показался кронштейн рессоры от Волги с номером 21-2912446. Кстати у Архипа (hippon) был такой на доноре....
У меня такая конструкция стояла.

IMG_3399 - копия.jpg
 

Tarasov (MetalHeart)

Пользователь
10 лет на форуме
Регистрация
04.07.2010
Сообщения
3 122
Оценка реакций
1 968
Город
Подмосковье
Кирилл сказал(а):
Какие интересные картинки есть у людей, это ведь первая серия?
Похожа) Откуда?
Перетащил в тему о первой серии, если не против)
 

autostyle

Пользователь
Топикстартер
5 лет на форуме
Регистрация
18.03.2013
Сообщения
2 801
Оценка реакций
214
Возраст
45
Город
Калужская область
Сайт
autostyle40.ru
Коллеги а есть у кого чертёжик стоек стабилизатора? Нужен.
 

SMV

Пользователь
Ветеран форума
Регистрация
05.07.2005
Сообщения
4 848
Оценка реакций
1 742
Возраст
40
Город
Россия, Воронеж
autostyle сказал(а):
Коллеги а есть у кого чертёжик стоек стабилизатора? Нужен.
Есть.
Пришли электронку в лс.
 

Кирилл

Administrator
Команда форума
Регистрация
14.06.2014
Сообщения
1 666
Оценка реакций
493
Возраст
48
Город
Москва
MetalHeart сказал(а):
Кирилл сказал(а):
Какие интересные картинки есть у людей, это ведь первая серия?
Похожа) Откуда?
Перетащил в тему о первой серии, если не против)
У знакомого целый мешок таких чертежей, я полистал немного, портянки по 5 метров попадаются)
 

autostyle

Пользователь
Топикстартер
5 лет на форуме
Регистрация
18.03.2013
Сообщения
2 801
Оценка реакций
214
Возраст
45
Город
Калужская область
Сайт
autostyle40.ru
Кирилл сказал(а):
MetalHeart сказал(а):
Кирилл сказал(а):
Какие интересные картинки есть у людей, это ведь первая серия?
Похожа) Откуда?
Перетащил в тему о первой серии, если не против)
У знакомого целый мешок таких чертежей, я полистал немного, портянки по 5 метров попадаются)
Так может он тебе их отдаст если не в теме?
 

autostyle

Пользователь
Топикстартер
5 лет на форуме
Регистрация
18.03.2013
Сообщения
2 801
Оценка реакций
214
Возраст
45
Город
Калужская область
Сайт
autostyle40.ru
Спасибо.
 

Кирилл

Administrator
Команда форума
Регистрация
14.06.2014
Сообщения
1 666
Оценка реакций
493
Возраст
48
Город
Москва
Подскажите:
1. номера шифра модели 32, 32Б, 81- это что такое?
2. 31 это насколько я понял, кузов кабриолета?
3. 21 это однозначно Волга? некоторые чертежи датируются октябрем 55 года с шифром 21-, т е Волгу в 55 году начали проектировать?
 

SMV

Пользователь
Ветеран форума
Регистрация
05.07.2005
Сообщения
4 848
Оценка реакций
1 742
Возраст
40
Город
Россия, Воронеж
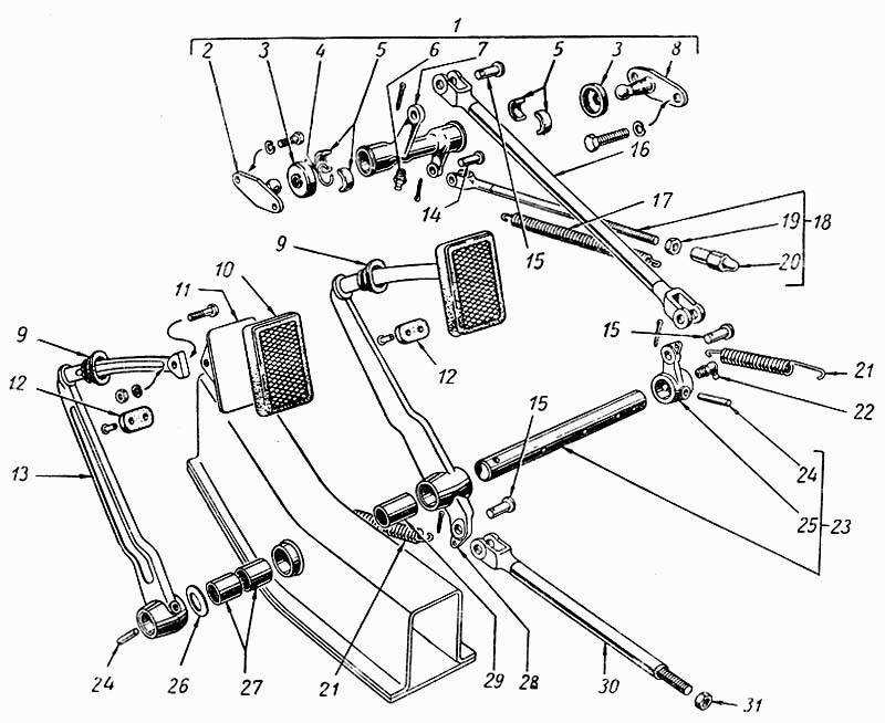
Есть у кого чертеж валика педалей тормоза и сцепления? Есть некоторые неясности с термообработкой детали.

Деталь на эскизе номер 23

 

autostyle

Пользователь
Топикстартер
5 лет на форуме
Регистрация
18.03.2013
Сообщения
2 801
Оценка реакций
214
Возраст
45
Город
Калужская область
Сайт
autostyle40.ru

Кирилл

Administrator
Команда форума
Регистрация
14.06.2014
Сообщения
1 666
Оценка реакций
493
Возраст
48
Город
Москва
Есть у кого чертеж валика педалей тормоза и сцепления? Есть некоторые неясности с термообработкой детали.

Деталь на эскизе номер 23
Деталь по каталогу 20-1602052, и её составляющие: 51-1602050-Б и 20-1602105-А (номера выписал для облегчения дальнейшего поиска, вдруг кому понадобится)
016-1 (перетянутый).jpg
017-1 (перетянутый).jpg
68k0u.jpg
 
  • Спасибо
Реакции: SMV

Jolly Roger

Пользователь
10 лет на форуме
Регистрация
05.06.2013
Сообщения
1 467
Оценка реакций
465
Город
СПб
Нет ли у кого чертежа ранней передней ступицы, которая не круглая.
Получиться ли такую изготовить из обычной?
Заранее спасибо!
 

Кирилл

Administrator
Команда форума
Регистрация
14.06.2014
Сообщения
1 666
Оценка реакций
493
Возраст
48
Город
Москва
номер детали напишите
 

Jolly Roger

Пользователь
10 лет на форуме
Регистрация
05.06.2013
Сообщения
1 467
Оценка реакций
465
Город
СПб
Вот наша стандартная ступица
20-3103010-Б
 

Кирилл

Administrator
Команда форума
Регистрация
14.06.2014
Сообщения
1 666
Оценка реакций
493
Возраст
48
Город
Москва
к сожалению, ранней, которая просто 010, нет, а вот 010-Б пожалуйста)
024.jpg
 
  • Спасибо
Реакции: JFer

Jolly Roger

Пользователь
10 лет на форуме
Регистрация
05.06.2013
Сообщения
1 467
Оценка реакций
465
Город
СПб
Спасибо, будем колхозить:)