Чертежи и прочее.

Зубр

Пользователь
10 лет на форуме
Регистрация
06.01.2016
Сообщения
9 165
Оценка реакций
9 590
Возраст
47
Город
РБ,г.Минск
Сегодня отдам пели в переборку , завтулится нужно... потом расскажу, как все встало..
чуть позже сделаю чертежик передней крышки )
 
  • Спасибо
Реакции: Pika

Зубр

Пользователь
10 лет на форуме
Регистрация
06.01.2016
Сообщения
9 165
Оценка реакций
9 590
Возраст
47
Город
РБ,г.Минск
Кстати, приварены были колхозно... вряд-ли на заводе так варили...
ещё...
верхние петли завтулены были, а нижние металл голый.... это правильно??...
 

Pika

Пользователь
10 лет на форуме
Регистрация
02.03.2012
Сообщения
4 343
Оценка реакций
6 329
Город
ХМАО Югра - Омск
Кстати, приварены были колхозно... вряд-ли на заводе так варили...
ещё...
верхние петли завтулены были, а нижние металл голый.... это правильно??...
Думаю варили по всякому, но только вертикал в глубине проема. Нижние метал в метал, а верхнте несмотрел.
 
  • Спасибо
Реакции: Зубр

СЭМ

Пользователь
10 лет на форуме
Регистрация
12.01.2015
Сообщения
4 690
Оценка реакций
8 689
Город
Выборг
Крышки к мелям были приварены точечной сваркой сверху и снизу в горизонтальных плоскостях . Па 1 или 2 точки точно не помню . Никаких доп ушек не было т.к они не нужны . Втулок тоже не было никаких . Если втулки значит уже ремонтировались .
 

Зубр

Пользователь
10 лет на форуме
Регистрация
06.01.2016
Сообщения
9 165
Оценка реакций
9 590
Возраст
47
Город
РБ,г.Минск
возможно, я спорить не буду... но очень похожи на родные ) на петлях выбито Л или П и 9 48
втулки только в верхних петлях!!!
смысл какой-то есть ...т.к. нагрузка в основном на верхнюю петлю..
у меня есть ещё более молодые петли.... так в них ещё и масленки стоят )
 

СЭМ

Пользователь
10 лет на форуме
Регистрация
12.01.2015
Сообщения
4 690
Оценка реакций
8 689
Город
Выборг
Масленки стоят и в нижних и в верхних петлях . втулок никаких нет в моем варианте . Но я говорю о более молодых петлях т к машина у меня 1957 г . Причем интересно что из 6 верхних петель только одна была разбита , с люфтом . А нижние из 8 шт все разбиты , одна со сломанной осью а некоторые даже ремонту не подлежали .
 

Зубр

Пользователь
10 лет на форуме
Регистрация
06.01.2016
Сообщения
9 165
Оценка реакций
9 590
Возраст
47
Город
РБ,г.Минск
не могу сказать, может кто-то знает
да, по петлям прошу учесть - год у меня 1948 ... это может как-то влиять
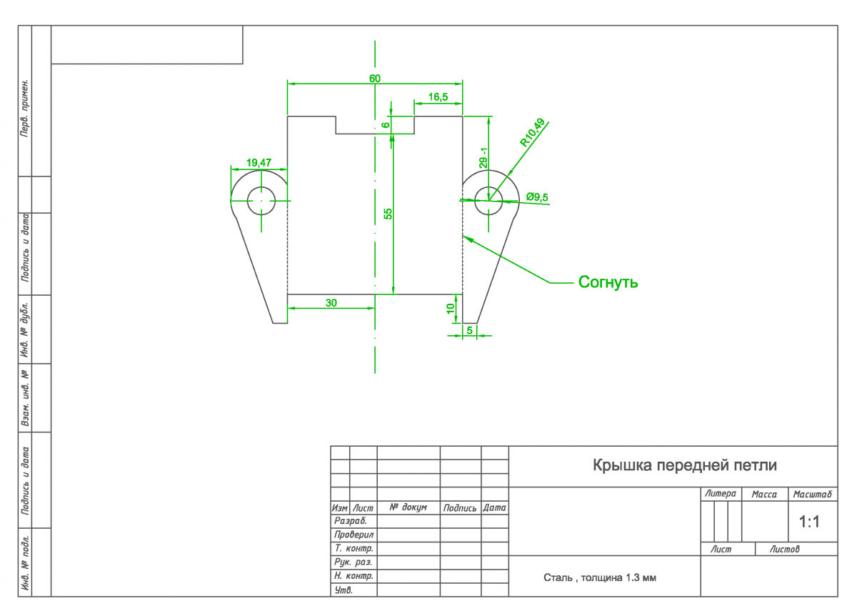
крышка передняя петель Model (1).png

0-02-04-8b6809a03bd5dd267c0cfad3f3e823d26641d8231aba900a4993ca1bc8c80d93_full.jpg
 

Nickolay

Пользователь
10 лет на форуме
Регистрация
21.03.2012
Сообщения
2 104
Оценка реакций
3 903
Возраст
76
Непонятно зачем часть наружных размеров с точностью до сотых...Как их обеспечить и проконтролировать?
 

Зубр

Пользователь
10 лет на форуме
Регистрация
06.01.2016
Сообщения
9 165
Оценка реакций
9 590
Возраст
47
Город
РБ,г.Минск
ну это автокад ) ... за счет вписаных и описанных окружностей .. так выходит
в какую точно сторону отнести сам размер - думаю по месту будет понятно, или может есть оригинальный чертеж...
а то, что я снял, обмерять достоверно - ну не знаю... у меня так получилось )
они же сварены были по окружности...

Эти чертежи для энтузиастов ) есть хоть что-то, от чего можно оттолкнуться ))
 
Последнее редактирование:

Pika

Пользователь
10 лет на форуме
Регистрация
02.03.2012
Сообщения
4 343
Оценка реакций
6 329
Город
ХМАО Югра - Омск
Масленки стоят и в нижних и в верхних петлях . втулок никаких нет в моем варианте . Но я говорю о более молодых петлях т к машина у меня 1957 г . Причем интересно что из 6 верхних петель только одна была разбита , с люфтом . А нижние из 8 шт все разбиты , одна со сломанной осью а некоторые даже ремонту не подлежали .
Нижние с наружи кузова и более подвержены коррозии, потопу и люфты с временем больше. Отверстия под тавотници присудствуют и на верхних и на нижних. Верхние до сих пор в смазке, а нижние сухие, скрипучие и корродидованные. Думается это из за нашей лени шприцевать петли.
 

Pika

Пользователь
10 лет на форуме
Регистрация
02.03.2012
Сообщения
4 343
Оценка реакций
6 329
Город
ХМАО Югра - Омск
не могу сказать, может кто-то знает
да, по петлям прошу учесть - год у меня 1948 ... это может как-то влиять
Посмотреть вложение 101772
Посмотреть вложение 101773
Может верхнюю часть крышечки выполнить без отверстия, а продавить шариком наружу (типа головка пальца получится покрыта с верху). Эт я в продолжение темы об износе нижних петель под воздействием корозии.
 

Зубр

Пользователь
10 лет на форуме
Регистрация
06.01.2016
Сообщения
9 165
Оценка реакций
9 590
Возраст
47
Город
РБ,г.Минск
как вариант ) ..
тогда точно варить не нужно , а то как ремонтировать если что ?
у меня пока мысли - а что если сделать из нержавейки втулку, потом приварить ее к петле ? ... в таком случае коррозии не будет, ну и штифт соответственно из нержавейки...
я одну снимал , так отверстия были вогнуты внутрь )...
 

Andrey1992

Пользователь
10 лет на форуме
Регистрация
05.09.2010
Сообщения
5 078
Оценка реакций
3 331
Возраст
33
Город
Москва
На крышках спереди нет прорези 6х27 мм это раздолбало петлей уже, дверь видимо была без ограничителя. Это раз.
Крышка ни разу не плоская, спинка у нее как бы S-образная. Это два.
Варить крышку надо на петле из трех частей. Это три.
В родне ось в нижней петле то ли 7,5, то ли 8 мм. Толщина стенок некоторых петель позволяет рассверлить отверстие под ось на 9 мм и поставить втулки. Но зачем нержавейка? И зачем приваривать? Бронза должна пойти. Запрессовать их туда, потом за один проход развернуть в размер.
 

Зубр

Пользователь
10 лет на форуме
Регистрация
06.01.2016
Сообщения
9 165
Оценка реакций
9 590
Возраст
47
Город
РБ,г.Минск
Андрей, я же написал...это 1948 год, нижние петли у меня 100% оригинал.
и задняя да - S -образная, смотри чертеж )
спорить не буду
мое дело предложить - ваше дело отказаться
 

Зубр

Пользователь
10 лет на форуме
Регистрация
06.01.2016
Сообщения
9 165
Оценка реакций
9 590
Возраст
47
Город
РБ,г.Минск
дРовишки это хорошо )
могу сказать за свое
не думаю, что кто-то будет из цельного куска металла колхозить крышки петель )
может обрезали? ..но тоже не вариант ... болты на петлях были оригинальные во всём, включая все слои краски....и на 4 мм по толщине я врядли ошибся)
а чертежики - это СПАСИБО! )
 

Зубр

Пользователь
10 лет на форуме
Регистрация
06.01.2016
Сообщения
9 165
Оценка реакций
9 590
Возраст
47
Город
РБ,г.Минск
Может кто, что знает секретное ? )))
чертежи вроде как по приказу 46 года
 

Pika

Пользователь
10 лет на форуме
Регистрация
02.03.2012
Сообщения
4 343
Оценка реакций
6 329
Город
ХМАО Югра - Омск
дРовишки это хорошо )
могу сказать за свое
не думаю, что кто-то будет из цельного куска металла колхозить крышки петель )
может обрезали? ..но тоже не вариант ... болты на петлях были оригинальные во всём, включая все слои краски....и на 4 мм по толщине я врядли ошибся)
а чертежики - это СПАСИБО! )
От своей не сохранил, были самопал с нержавейки. Думаю твои упрощенный вариант для изготовления. Потому как по чертежу это штамповка листа, свариваемых деталей там нет. Ждем развертку передней крышки.

Кириллу респект за дрова!
 
  • Спасибо
Реакции: Зубр

Зубр

Пользователь
10 лет на форуме
Регистрация
06.01.2016
Сообщения
9 165
Оценка реакций
9 590
Возраст
47
Город
РБ,г.Минск
я выложил обе )
петли заберу, тогда можно будет продолжить ) пока нет предмета для разговора(((
 
  • Спасибо
Реакции: Pika

Pika

Пользователь
10 лет на форуме
Регистрация
02.03.2012
Сообщения
4 343
Оценка реакций
6 329
Город
ХМАО Югра - Омск