• В ближайшее время форум будет закрыт для проведения технических работ на день-два.

Приемник А8

GIORGIO

Пользователь
Топикстартер
Регистрация
19.10.2014
Сообщения
4
Оценка реакций
0
Возраст
70
Город
RIGA
Всем привет!
Победы у меня нет и, видимо, не будет, но какое-то отношение к данному авто я имею.
Дело в том, что я реставрирую и усовершенствую приёмники ретро автомобилей.
Когда ко мне в работу попадает такой приёмник, а именно с вибраторным преобразователем напряжения, то всегда встаёт вопрос - что делать?
Конечно можно восстановить вибратор, а точнее в его корпусе разместить MOSFET преобразователь.
При этом вся остальная часть преобразовательного блока и всего радиоприёмника остаётся без изменений.
Можно отремонтировать и настроить сам приёмник, но беда в том, что при относительно высокой стоимости ремонта,
на такой приёмник ничего не поймаешь - ДВ и СВ диапазоны пусты или малоинтересны.
Решить эту проблему и сделать аппарат интересным позволяет имплантация FM диапазона, а так же проигрывателя USB MP3 + AUX входа.
И всё это при сохранении оригинального внешнего вида и функционирования ручек и кнопок, т.е. ручка громкости регулирует громкость, а ручка настройки такой и остаётся. Блок преобразователя выкидывается или остаётся, если он нужен для крепления приёмника.
Несколько другой подход, например к приёмнику для ГАЗ-21 Волга.
Диапазон УКВ в нём уже имеется, правда перестроить его на FM диапазон практически невозможно. Тут в аппарат встраивается транзисторный высокочастотный FM блок. Его настройка сопрягается с оригинальным механизмом настройки, главное что бы этот механизм не был разболтан.
Перед вами переделанный мною приёмник, правда со старой передней панелькой и не оригинальными ручками т.к новые детали ещё не пришли.



Это FM приёмник работающий в диапазоне 88- 108 МГц, монофонический, с функцией бесшумной настройки ( приглушает звук между станциями ), выходная мощность 4,5 Ватт - имеется вариант с мощностью 25 Ватт + стерео. Всё зависит от применяемого динамика.
Т.к. в оригинале регулировка тембра не предусмотрена, то в аппарате установлена автоматическая тонкомпенсация.
При выдвигании ручки настройки ( в оригинале - это переключение СВ и ДВ ) аппарат переключается на проигрывание MP3 файлов с USB входа. Песни на флэшке воспроизводятся по кольцу одна за другой.
Имеется также пульт. С его помощью можно сделать тише-громче, выбрать песню, переключить вход и т.д. Пульт работает только в режиме прослушивания МР3. При этом громкость регулируется так же основной ручкой. Пульт рекомендуется спрятать и никому не давать в руки.
Так же немного изменена шкала - стрелка из никелированная и длиной на всё шкалу. На фото она возле цифры 9.
Вообще фантазия в выборе уровня реконструкции аппарата ограничивается только величиной кошелька.
При желании возможно впихнуть в корпус приемника весьма крутой аппарат, или даже изготовить увеличенную переднюю панель
( 1.5 din ) с щелью для дисковода, а семь наплывов превратить в кнопки, что-то типа этого:

макет.jpg


Радиоприёмник А-8М.jpg
 

putnik

Пользователь
Регистрация
08.08.2014
Сообщения
48
Оценка реакций
2
Re: Радиоприёмник - новые возможности.

А сколько будет стоить модернизация? В варианте как на фото, без изменения внешнего вида?
 

Vins

Пользователь
5 лет на форуме
Регистрация
23.02.2012
Сообщения
2 334
Оценка реакций
10
Возраст
58
Город
М.О. Балашиха
Re: Радиоприёмник - новые возможности.

putnik сказал(а):
А сколько будет стоить модернизация? В варианте как на фото, без изменения внешнего вида?
Присоеденюсь к вопросу..
 

ECE

Пользователь
10 лет на форуме
Регистрация
26.08.2008
Сообщения
1 021
Оценка реакций
104
Возраст
43
Город
Москва, Коптево
Сайт
ретропартс.рф
Re: Радиоприёмник - новые возможности.

Такой же вопрос и по ГАЗ-21. И второй. Где Вы находитесь?
 

GIORGIO

Пользователь
Топикстартер
Регистрация
19.10.2014
Сообщения
4
Оценка реакций
0
Возраст
70
Город
RIGA
Re: Радиоприёмник - новые возможности.

Привет ещё раз!
Нахожусь я в очень неудобном для вас месте - в Риге, т.е. на чужбине.
Это накладывает некоторые неудобства.
Но, если вас это не страшит, то милости прошу.
Для переделки мне требуется от вас только радиоприёмник.
Хромировку панели в Риге сделать сложно, поэтому я этим не занимаюсь.
Панель от приёмника, что на фото, владелец отправил в Польшу и, вот уже более полу года от туда ни слуху ни духу.
При переделке из приёмника удаляется вся схема, остаётся только корпус, регуляторы и механизм настройки.
После мойки в корпус устанавливается новая схема и сопрягается с настройкой.
Имеется несколько вариантов переделки.
Самый простой - это имплантация FM диапазона и установка моно усилителя - 4,5 ватт.
Стоимость 200 евро.
В аппарат, что на фото, добавочно установлен модуль МР3 это ещё плюс 100 евриков.
Вообще-то возможен вариант ещё дешевле: 100 - 125 - 150 евро.
Только имплантация МР3 модуля. Дело в том, что этот модуль содержит в себе FM тюнер и маломощный стерео усилитель
Но лишаемся ручек настройки, т.е в лучшем случае ручкой громкости возможно только включить приёмник.
Ну может быть ещё получиться регулировать громкость, но это под вопросом.
Всё управление с пульта. Имеем МР3 проигрыватель с USB входом, цифровой FM приёмник с фиксированными настройками,
прямой ввод частоты настройки ( например для станции на 104,3 требуется нажать на кнопки 1,0,4,3 ) и т.д.
Так же имеется цифровое табло.
Этот вариант не отрабатывался.

Что касается приёмника от Волги Газ-21, то стоимость перестройки на FM - 100 евро.
Как уже писалось, в приёмник встраивается FM тюнер и сопрягается с механизмом настройки штатного приёмника.
При этом сохраняются все функции такие как фиксированные настройки.
Схема при этом не переделывается и остаётся родной.
Внешне приёмники остаются без изменений и посторонний человек даже ничего не заметит
Цена может увеличиться на сопутствующий ремонт. Например в приёмнике что на фото потребовалось заменит регулятор громкости
т.к развалился выключатель, да и сам потенциометр тоже. Естественно такой новый потенциометр не найти.
Пришлось колдовать с похожим потенциометром - удлинять ось + ремонт механизма настройки.
Полная стоимость работы составила 375 евро.
Вообще все приведённые цены ориентировочные и каждый аппарат требует индивидуального подхода.
 

Krest

Administrator
Регистрация
17.05.2005
Сообщения
7 652
Оценка реакций
2 891
Возраст
51
Город
Москва
Сайт
pobeda-club.ru
Re: Радиоприёмник - новые возможности.

Идея прикольная. Сделано аккуратно. Планов громадье интересное, но бесперспективное. Кому в 21 веке нужен CD проигрыватель? А чтобы не колхозить элементы управления вместо выступов, проще взять ЗИМ-овский приемник, у него есть кнопки на мордочке, а в Победу он отлично подходит после небольшого напиллинга.

Я правильно понимаю -- под словом "FM модуль" подразумевается старая автомагнитола с FM-диапазоном и аналоговыми ручками настройки?

А под словом "mp3-модуль" -- простая китайская игралка типа такой:

sku_90265_1.jpg
 

GIORGIO

Пользователь
Топикстартер
Регистрация
19.10.2014
Сообщения
4
Оценка реакций
0
Возраст
70
Город
RIGA
Re: Радиоприёмник - новые возможности.

Под словом "FM модуль" подразумевается вот это:



все настройки электронные, ручек нету.
Такие блоки применялись в цифровых автомагнитолах Pioneer, Clarion, Sony и др. японцах 2000 годов.
По поводу
"mp3-модуль" -- простая китайская игралка
Да, это она - простая китайская игралка, только несколько другая, но суть та же.
Кстати, с очень богатыми функциями, не смотря на то, что сделана в Китае - впрочем, как и вся электроника.
Можно и Зимовский приёмник использовать, а можно вообще изготовить новый корпус, ведь видно только переднюю панель.
Например, при примерке на авто этого приёмника, который в первом посте, вдруг выяснилось, что владелец установив жигулёвскую печку практически не оставил места для установки радио. Было свободно только около 70 - 80 мм глубины.
Посмотрев на это, я предложил изготовить новый аппарат - моноблок.



Глядя из кабины никому и в голову не придёт, что там такое хитрое устройство.
Правда, владелец не согласился, решив, что дешевле переделать печку.
Я написал про возможности, а выбор за вами. Вы заказываете - я делаю.
:D :p :mrgreen:

22.jpg


Моноблок.jpg
 

Зубр

Пользователь
10 лет на форуме
Регистрация
06.01.2016
Сообщения
9 101
Оценка реакций
9 180
Возраст
47
Город
РБ,г.Минск
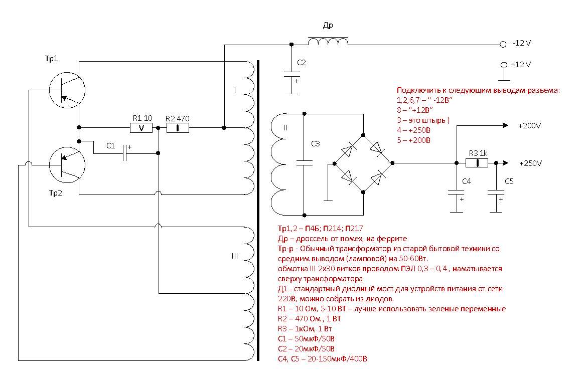
Вот есть такая схема замены преобразователя
Документ3.png


вот описание стандартного приемника

a8r3_1958_Страница_1.png
a8r3_1958_Страница_2.png
a8r3_1958_Страница_3.png
 

Вложения

Зубр

Пользователь
10 лет на форуме
Регистрация
06.01.2016
Сообщения
9 101
Оценка реакций
9 180
Возраст
47
Город
РБ,г.Минск
постараюсь за выходные сфоткать то, что у меня есть ... )
 

Pika

Пользователь
10 лет на форуме
Регистрация
02.03.2012
Сообщения
4 280
Оценка реакций
6 044
Город
ХМАО Югра - Омск

Зубр

Пользователь
10 лет на форуме
Регистрация
06.01.2016
Сообщения
9 101
Оценка реакций
9 180
Возраст
47
Город
РБ,г.Минск
Постараюсь)
 
  • Спасибо
Реакции: Pika

Зубр

Пользователь
10 лет на форуме
Регистрация
06.01.2016
Сообщения
9 101
Оценка реакций
9 180
Возраст
47
Город
РБ,г.Минск
ну... если бы у меня был родной, я бы не колхозил этот преобразователь.
 

Зубр

Пользователь
10 лет на форуме
Регистрация
06.01.2016
Сообщения
9 101
Оценка реакций
9 180
Возраст
47
Город
РБ,г.Минск
я никого не заставляю делать так как я.. просто делюсь тем что есть.
 

Pika

Пользователь
10 лет на форуме
Регистрация
02.03.2012
Сообщения
4 280
Оценка реакций
6 044
Город
ХМАО Югра - Омск
Крутяк))) Дима, а что за наводка идет, это антена или блок питания?
 

БЕГИмот

Пользователь
5 лет на форуме
Регистрация
08.02.2017
Сообщения
3 650
Оценка реакций
6 042
Возраст
49
Город
Красноярск, ул. Конституции СССР

БЕГИмот

Пользователь
5 лет на форуме
Регистрация
08.02.2017
Сообщения
3 650
Оценка реакций
6 042
Возраст
49
Город
Красноярск, ул. Конституции СССР
Но пока ничего не понял.... как и чего делать. Потому что я в связи профан...
надо показать вашу идею спецам на работе.
Они думаю сразу поймут!
 

Зубр

Пользователь
10 лет на форуме
Регистрация
06.01.2016
Сообщения
9 101
Оценка реакций
9 180
Возраст
47
Город
РБ,г.Минск
ну сам преобразователь трещит... плюс сигнал слабый ) мот ещё что ... когда сделаю аукс - тогда буду с качеством разбираться

кстати, родной преобразователь шумит больше ))
 
  • Спасибо
Реакции: Pika