Детали на опознание

АНДРЕЙ 111

Пользователь
Команда форума
Регистрация
15.03.2011
Сообщения
16 205
Оценка реакций
10 160
Город
Одинцово
Похоже на самоварно печную тему, как заглушка воздуховода в царских палатах.
 
  • Спасибо
Реакции: Nickolay

Олд Джек

Координатор клуба
Команда форума
Регистрация
23.12.2007
Сообщения
13 390
Оценка реакций
5 811
Город
москва
не автомобильное ИМХО
 

EvgenB

Пользователь
10 лет на форуме
Регистрация
17.09.2015
Сообщения
1 235
Оценка реакций
910
Возраст
48
Город
Москва
Чьи втулки?
 

Вложения

pobedovod

Пользователь
Авторитет
Регистрация
23.12.2007
Сообщения
9 414
Оценка реакций
31 139
Город
Болгария
Наши,для нижних рычагов.
 

EvgenB

Пользователь
10 лет на форуме
Регистрация
17.09.2015
Сообщения
1 235
Оценка реакций
910
Возраст
48
Город
Москва

Вложения

pobedovod

Пользователь
Авторитет
Регистрация
23.12.2007
Сообщения
9 414
Оценка реакций
31 139
Город
Болгария
По логике вроде так, правая по стилю ближе к ручкам наружным двоешным, но хотелось бы уточнить.

Наконец я до гаража добрался,слева троешный замок.
 

EvgenB

Пользователь
10 лет на форуме
Регистрация
17.09.2015
Сообщения
1 235
Оценка реакций
910
Возраст
48
Город
Москва
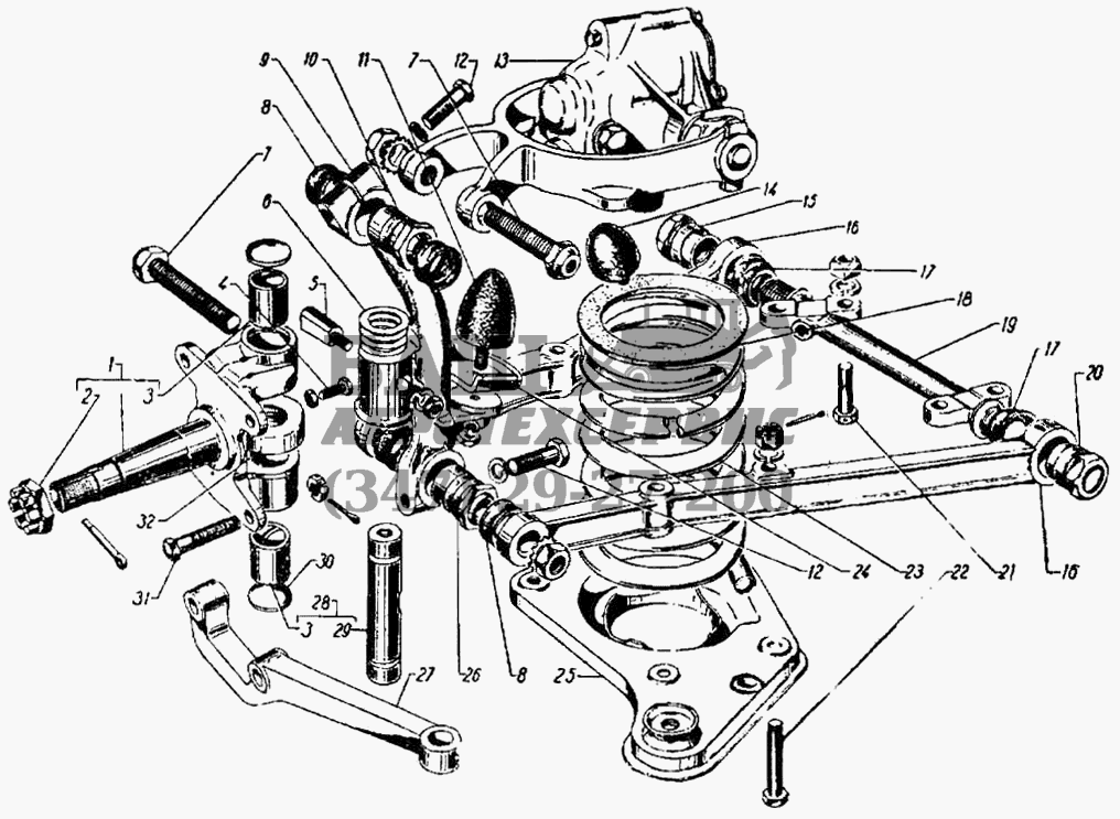
Пружина 17 мм, 310 мм высота, диаметр внутренний 88 мм- смущает толщина 17, а не 16.3 мм плюс с торца что вверх ставится пружина не скошена для плоскости. Может кто знает наша или нет?
 

Вложения

Рустам тм

Пользователь
10 лет на форуме
Регистрация
11.04.2016
Сообщения
4 258
Оценка реакций
9 256
Возраст
45
Город
Туркменистан Ашгабад

EvgenB

Пользователь
10 лет на форуме
Регистрация
17.09.2015
Сообщения
1 235
Оценка реакций
910
Возраст
48
Город
Москва

EvgenB

Пользователь
10 лет на форуме
Регистрация
17.09.2015
Сообщения
1 235
Оценка реакций
910
Возраст
48
Город
Москва
Чертеж тоже говорит , что должна быть...но тогда, чьи тапки?)) у того, у кого купил утверждает, что у деда только Победа была и всё
https://fotki.yandex.ru/next/users/mihail-autostyle/album/413082/view/925665?page=2
 

EvgenB

Пользователь
10 лет на форуме
Регистрация
17.09.2015
Сообщения
1 235
Оценка реакций
910
Возраст
48
Город
Москва
Коллегиально с Володей из Санкт-Петербурга определили, что они М20. Некоторые не торцевали.. Видимо угловое отклонение в допуске 10 мм от оси, будем мерить))
 

ММГ

Пользователь
5 лет на форуме
Регистрация
04.08.2017
Сообщения
517
Оценка реакций
278
Город
Челябинск
Всем доброго времени суток. вопрос, почему то у одного из трамблёров шток привода отличный от других? Второй сверху. Все остальные Победовские, а это что за зверь?
IMG_20171230_105508.jpg
у
 

АНДРЕЙ 111

Пользователь
Команда форума
Регистрация
15.03.2011
Сообщения
16 205
Оценка реакций
10 160
Город
Одинцово
похож от волги г24
 

Damon777

Пользователь
10 лет на форуме
Регистрация
04.04.2006
Сообщения
882
Оценка реакций
1 078
На шильде Р-20? ГАЗ-51, и похоже весьма неновый, гайки на октан-корректоре родом наверное из середины 50-х.
 

lesnik

Пользователь
5 лет на форуме
Регистрация
14.07.2011
Сообщения
534
Оценка реакций
25
Город
Москва
Чьи копаки?
 

Вложения

Олд Джек

Координатор клуба
Команда форума
Регистрация
23.12.2007
Сообщения
13 390
Оценка реакций
5 811
Город
москва
кооператив Заз ушастый